Pipewall Sensing Thermostats with Limiters
- 2 adjustable control thermostats for for heat tracing applications where a high temperature limiter is required.
- TC2 is designed to be wall-mounted, the XP-Plus version features a pipe-mounted bracket
- PVC coated galvanised steel flexible capillary armouring incl. capillary gland & insulation entry device
- Optional Expediter to install thermostat on pipe & allow heating cable to enter + be connected (Thermon TC2/XP Plus version)
- Indicating lamps for power-on and heater-on
- Watertight & dusttight, nonmetallic enclosure (IP65)
- Certifications/ Approval:

Notes:
Applications for Thermon TC2 & TC2-XP-Plus Mechanical Thermostats for Heat Tracing Systems
The TC2 and TC2/XP Plus, equipped with two adjustable control thermostats, are designed for heat tracing applications where a high temperature limiter is required.
The first thermostatic switch energises the heater below the controller setpoint; the second switch de-energises the heater if the temperature sensed exceeds the limiter setpoint.
The TC2 is designed to be wall-mounted (or pipemounted using Thermon’s XP-1 stainless steel mounting bracket 1) and has a PVC coated galvanised steel flexible capillary armouring complete with capillary gland and insulation entry device.
The TC2/XP Plus includes an expediter to facilitate attaching the thermostat directly on the pipe 2 and permits one heating cable to enter and be connected within the enclosure.
Indicating lamps for power-on and heater-on are visible through a transparent cover. Both thermostats utilise nonmetallic enclosures suitable for harsh industrial environments to provide watertight and dusttight protection (per IP65). External hardware is stainless steel.
The TC2 and TC2/XP Plus meet the requirements for use in nonhazardous locations
Ratings
- Voltage rating: 400 Vac
- Switch rating:
230 Vac | 16 A (Ohmic, NC contact)
400 Vac | 10 A (Ohmic, NC contact) - Operating ambient temperature: -30° to +55° C
- Switch type: SPDT
- Electrical connection¹: Terminal Block²
- Bulb material: stainless steel
- Capillary length: 1m
- Approximate weight: 1.5 kg
Notes:
| ¹ | Both thermostats are shipped with an M25-PWR-IND power gland and an M25-B-IND blind plug that can be replaced with an M25 gland to permit power or heating cable connection. |
| ² | Terminal block consists of four 4-mm2 line/load terminals and one 4-mm PE |
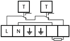
Typical Wiring Diagram

|
374 KB
|
1.95MB
|
11.46 MB (zip)
|
|
1.37MB
|
243 KB
|
1.21MB
|
|
116KB
|
987 MB
|
255 KB
|
|
177 KB
|
548 KB
|
515 KB
|
|
504 KB
|
393 KB
|
691 KB
|
|
652 KB
|
270 KB
|
349 KB
|




















